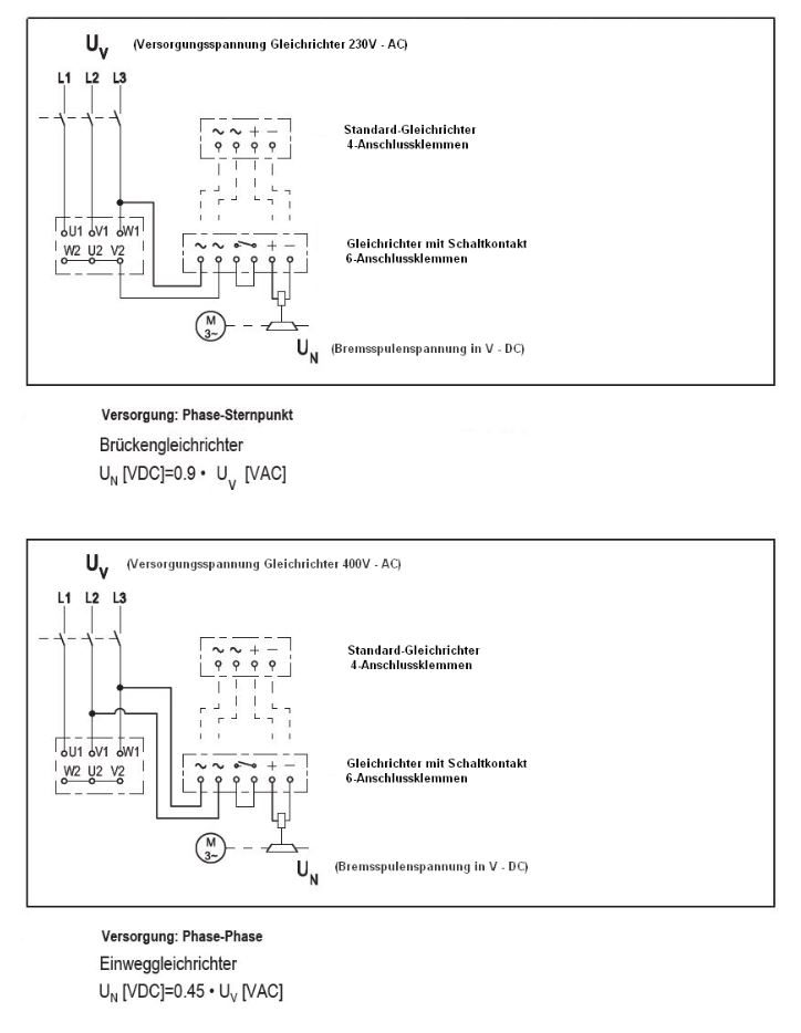
Bei den Bremsmotoren kommen in der Regel zwei Varianten an Gleichrichtern zum Einsatz. Diese nennen sich Brückengleichrichter und Einweggleichrichter. Die Brückengleichrichter werden bei in der Regel bis zur Motorenbaugröße 112 eingesetzt und mit 230V betrieben. Die Einweggleichrichter werden meistens ab der Motorenbaugröße 132 eingesetzt und mit 400 Volt angesteuert.
Funktionale Cookies sind für die Funktionalität des Webshops unbedingt erforderlich. Diese Cookies ordnen Ihrem Browser eine eindeutige zufällige ID zu damit Ihr ungehindertes Einkaufserlebnis über mehrere Seitenaufrufe hinweg gewährleistet werden kann.
Session:
Das Session Cookie speichert Ihre Einkaufsdaten über mehrere Seitenaufrufe hinweg und ist somit unerlässlich für Ihr persönliches Einkaufserlebnis.
CSRF-Token:
Das CSRF-Token Cookie trägt zu Ihrer Sicherheit bei. Es verstärkt die Absicherung bei Formularen gegen unerwünschte Hackangriffe.
Zeitzone:
Das Cookie wird verwendet um dem System die aktuelle Zeitzone des Benutzers zur Verfügung zu stellen.
Cookie Einstellungen:
Das Cookie wird verwendet um die Cookie Einstellungen des Seitenbenutzers über mehrere Browsersitzungen zu speichern.
Cache Behandlung:
Das Cookie wird eingesetzt um den Cache für unterschiedliche Szenarien und Seitenbenutzer zu differenzieren.
Herkunftsinformationen:
Das Cookie speichert die Herkunftsseite und die zuerst besuchte Seite des Benutzers für eine weitere Verwendung.
Aktivierte Cookies:
Speichert welche Cookies bereits vom Benutzer zum ersten Mal akzeptiert wurden.
CAPTCHA-Integration
CAPTCHA-Integration
PayPal-Zahlungen
PayPal-Zahlungen
PayPal-Zahlungen
Google-Pay-Zahlungen
Google-Pay-Zahlungen
Google-Pay-Zahlungen
Google-Pay-Zahlungen
Google Tag Manager Debug Modus:
Ermöglicht es den Google Tag Manager im Debug Modus auszuführen.
PayPal:
Das Cookie wird für Zahlungsabwicklungen über PayPal genutzt.
Mollie Payment:
Dieses Cookie wird verwendet, um alle Ereignisse zu gruppieren, die von einer einzelnen Benutzersitzung auf mehreren Checkout-Seiten generiert wurden.
Erlaubt es Google, personenbezogene Daten für Online-Werbung und Marketing zu sammeln.
Google Werbung und Marketing
Erlaubt es Google, personenbezogene Daten für Online-Werbung und Marketing zu sammeln.
Google Werbung und Marketing
Merkzettel
Merkzettel
Merkzettel
Merkzettel
YouTube-Video
YouTube-Video
YouTube-Video
YouTube-Video
DooFinder
Merkzettel
YouTube-Video
DooFinder
Merkzettel
YouTube-Video
Merkzettel
YouTube-Video
Merkzettel
YouTube-Video
DooFinder
Merkzettel
YouTube-Video
Shopware Analytics ist ein Analysedienst zur Erfassung des Shopping-Verhaltens auf diesem Webshop, bereitgestellt von der shopware AG (Ebbinghoff 10, 48624 Schöppingen, Deutschland) in gemeinsamer Verantwortung (siehe auch die Datenschutzinformationen). Die Rechtsgrundlage für die Datenverarbeitung ist Art. 6 Abs. 1 S. 1 lit. a DSGVO. Sofern Informationen lokal gespeichert werden, entnehmen Sie bitte weitere Details zur Datenverarbeitung unserer Datenschutzerklärung.
Empfänger der Daten ist die shopware AG sowie IT-Dienstleister. Verwendete Technologien umfassen Local Storage. Die erhobenen Daten beinhalten Kundengruppe, besuchte Seiten, Klickpfade, Datum und Uhrzeit des Besuches, Informationen über das genutzte Endgerät (Auflösung, Auflösungsdichte, Betriebssystem), Referrer URL, Informationen des verwendeten Browsers, Gebietsschema, Suchanfragen, Zeitzone. Der Zweck der Datenerhebung dient dem Marketing, der Analyse und der Statistik.
Die Datenverarbeitung erfolgt innerhalb der Europäischen Union. Bei Fragen zum Datenschutz können Sie den Datenschutzbeauftragten unter legal@shopware.com kontaktieren. Weitere Informationen finden Sie auf https://www.shopware.com/de/datenschutz/website.
Gespeicherte Daten:
Shopware Analytics fügt die folgenden Daten zum Local Storage des Browsers hinzu, bis die Zustimmung widerrufen wird: _swa_anonymousId (eine eindeutige Kennung des Besuchers), _swa_userTraits (Benutzermerkmale des Besuchers).
Shopware Analytics ist ein Analysedienst zur Erfassung des Shopping-Verhaltens auf diesem Webshop, bereitgestellt von der shopware AG (Ebbinghoff 10, 48624 Schöppingen, Deutschland) in gemeinsamer Verantwortung (siehe auch die Datenschutzinformationen). Die Rechtsgrundlage für die Datenverarbeitung ist Art. 6 Abs. 1 S. 1 lit. a DSGVO. Sofern Informationen lokal gespeichert werden, entnehmen Sie bitte weitere Details zur Datenverarbeitung unserer Datenschutzerklärung.
Empfänger der Daten ist die shopware AG sowie IT-Dienstleister. Verwendete Technologien umfassen Local Storage. Die erhobenen Daten beinhalten Kundengruppe, besuchte Seiten, Klickpfade, Datum und Uhrzeit des Besuches, Informationen über das genutzte Endgerät (Auflösung, Auflösungsdichte, Betriebssystem), Referrer URL, Informationen des verwendeten Browsers, Gebietsschema, Suchanfragen, Zeitzone. Der Zweck der Datenerhebung dient dem Marketing, der Analyse und der Statistik.
Die Datenverarbeitung erfolgt innerhalb der Europäischen Union. Bei Fragen zum Datenschutz können Sie den Datenschutzbeauftragten unter legal@shopware.com kontaktieren. Weitere Informationen finden Sie auf https://www.shopware.com/de/datenschutz/website.
Gespeicherte Daten:
Shopware Analytics fügt die folgenden Daten zum Local Storage des Browsers hinzu, bis die Zustimmung widerrufen wird: _swa_anonymousId (eine eindeutige Kennung des Besuchers), _swa_userTraits (Benutzermerkmale des Besuchers).
Shopware Analytics ist ein Analysedienst zur Erfassung des Shopping-Verhaltens auf diesem Webshop, bereitgestellt von der shopware AG (Ebbinghoff 10, 48624 Schöppingen, Deutschland) in gemeinsamer Verantwortung (siehe auch die Datenschutzinformationen). Die Rechtsgrundlage für die Datenverarbeitung ist Art. 6 Abs. 1 S. 1 lit. a DSGVO. Sofern Informationen lokal gespeichert werden, entnehmen Sie bitte weitere Details zur Datenverarbeitung unserer Datenschutzerklärung.
Empfänger der Daten ist die shopware AG sowie IT-Dienstleister. Verwendete Technologien umfassen Local Storage. Die erhobenen Daten beinhalten Kundengruppe, besuchte Seiten, Klickpfade, Datum und Uhrzeit des Besuches, Informationen über das genutzte Endgerät (Auflösung, Auflösungsdichte, Betriebssystem), Referrer URL, Informationen des verwendeten Browsers, Gebietsschema, Suchanfragen, Zeitzone. Der Zweck der Datenerhebung dient dem Marketing, der Analyse und der Statistik.
Die Datenverarbeitung erfolgt innerhalb der Europäischen Union. Bei Fragen zum Datenschutz können Sie den Datenschutzbeauftragten unter legal@shopware.com kontaktieren. Weitere Informationen finden Sie auf https://www.shopware.com/de/datenschutz/website.
Gespeicherte Daten:
Shopware Analytics fügt die folgenden Daten zum Local Storage des Browsers hinzu, bis die Zustimmung widerrufen wird: _swa_anonymousId (eine eindeutige Kennung des Besuchers), _swa_userTraits (Benutzermerkmale des Besuchers).
Shopware Analytics ist ein Analysedienst zur Erfassung des Shopping-Verhaltens auf diesem Webshop, bereitgestellt von der shopware AG (Ebbinghoff 10, 48624 Schöppingen, Deutschland) in gemeinsamer Verantwortung (siehe auch die Datenschutzinformationen). Die Rechtsgrundlage für die Datenverarbeitung ist Art. 6 Abs. 1 S. 1 lit. a DSGVO. Sofern Informationen lokal gespeichert werden, entnehmen Sie bitte weitere Details zur Datenverarbeitung unserer Datenschutzerklärung.
Empfänger der Daten ist die shopware AG sowie IT-Dienstleister. Verwendete Technologien umfassen Local Storage. Die erhobenen Daten beinhalten Kundengruppe, besuchte Seiten, Klickpfade, Datum und Uhrzeit des Besuches, Informationen über das genutzte Endgerät (Auflösung, Auflösungsdichte, Betriebssystem), Referrer URL, Informationen des verwendeten Browsers, Gebietsschema, Suchanfragen, Zeitzone. Der Zweck der Datenerhebung dient dem Marketing, der Analyse und der Statistik.
Die Datenverarbeitung erfolgt innerhalb der Europäischen Union. Bei Fragen zum Datenschutz können Sie den Datenschutzbeauftragten unter legal@shopware.com kontaktieren. Weitere Informationen finden Sie auf https://www.shopware.com/de/datenschutz/website.
Gespeicherte Daten:
Shopware Analytics fügt die folgenden Daten zum Local Storage des Browsers hinzu, bis die Zustimmung widerrufen wird: _swa_anonymousId (eine eindeutige Kennung des Besuchers), _swa_userTraits (Benutzermerkmale des Besuchers).
Shopware Analytics ist ein Analysedienst zur Erfassung des Shopping-Verhaltens auf diesem Webshop, bereitgestellt von der shopware AG (Ebbinghoff 10, 48624 Schöppingen, Deutschland) in gemeinsamer Verantwortung (siehe auch die Datenschutzinformationen). Die Rechtsgrundlage für die Datenverarbeitung ist Art. 6 Abs. 1 S. 1 lit. a DSGVO. Sofern Informationen lokal gespeichert werden, entnehmen Sie bitte weitere Details zur Datenverarbeitung unserer Datenschutzerklärung.
Empfänger der Daten ist die shopware AG sowie IT-Dienstleister. Verwendete Technologien umfassen Local Storage. Die erhobenen Daten beinhalten Kundengruppe, besuchte Seiten, Klickpfade, Datum und Uhrzeit des Besuches, Informationen über das genutzte Endgerät (Auflösung, Auflösungsdichte, Betriebssystem), Referrer URL, Informationen des verwendeten Browsers, Gebietsschema, Suchanfragen, Zeitzone. Der Zweck der Datenerhebung dient dem Marketing, der Analyse und der Statistik.
Die Datenverarbeitung erfolgt innerhalb der Europäischen Union. Bei Fragen zum Datenschutz können Sie den Datenschutzbeauftragten unter legal@shopware.com kontaktieren. Weitere Informationen finden Sie auf https://www.shopware.com/de/datenschutz/website.
Gespeicherte Daten:
Shopware Analytics fügt die folgenden Daten zum Local Storage des Browsers hinzu, bis die Zustimmung widerrufen wird: _swa_anonymousId (eine eindeutige Kennung des Besuchers), _swa_userTraits (Benutzermerkmale des Besuchers).
Shopware Analytics ist ein Analysedienst zur Erfassung des Shopping-Verhaltens auf diesem Webshop, bereitgestellt von der shopware AG (Ebbinghoff 10, 48624 Schöppingen, Deutschland) in gemeinsamer Verantwortung (siehe auch die Datenschutzinformationen). Die Rechtsgrundlage für die Datenverarbeitung ist Art. 6 Abs. 1 S. 1 lit. a DSGVO. Sofern Informationen lokal gespeichert werden, entnehmen Sie bitte weitere Details zur Datenverarbeitung unserer Datenschutzerklärung.
Empfänger der Daten ist die shopware AG sowie IT-Dienstleister. Verwendete Technologien umfassen Local Storage. Die erhobenen Daten beinhalten Kundengruppe, besuchte Seiten, Klickpfade, Datum und Uhrzeit des Besuches, Informationen über das genutzte Endgerät (Auflösung, Auflösungsdichte, Betriebssystem), Referrer URL, Informationen des verwendeten Browsers, Gebietsschema, Suchanfragen, Zeitzone. Der Zweck der Datenerhebung dient dem Marketing, der Analyse und der Statistik.
Die Datenverarbeitung erfolgt innerhalb der Europäischen Union. Bei Fragen zum Datenschutz können Sie den Datenschutzbeauftragten unter legal@shopware.com kontaktieren. Weitere Informationen finden Sie auf https://www.shopware.com/de/datenschutz/website.
Gespeicherte Daten:
Shopware Analytics fügt die folgenden Daten zum Local Storage des Browsers hinzu, bis die Zustimmung widerrufen wird: _swa_anonymousId (eine eindeutige Kennung des Besuchers), _swa_userTraits (Benutzermerkmale des Besuchers).
Shopware Analytics ist ein Analysedienst zur Erfassung des Shopping-Verhaltens auf diesem Webshop, bereitgestellt von der shopware AG (Ebbinghoff 10, 48624 Schöppingen, Deutschland) in gemeinsamer Verantwortung (siehe auch die Datenschutzinformationen). Die Rechtsgrundlage für die Datenverarbeitung ist Art. 6 Abs. 1 S. 1 lit. a DSGVO. Sofern Informationen lokal gespeichert werden, entnehmen Sie bitte weitere Details zur Datenverarbeitung unserer Datenschutzerklärung.
Empfänger der Daten ist die shopware AG sowie IT-Dienstleister. Verwendete Technologien umfassen Local Storage. Die erhobenen Daten beinhalten Kundengruppe, besuchte Seiten, Klickpfade, Datum und Uhrzeit des Besuches, Informationen über das genutzte Endgerät (Auflösung, Auflösungsdichte, Betriebssystem), Referrer URL, Informationen des verwendeten Browsers, Gebietsschema, Suchanfragen, Zeitzone. Der Zweck der Datenerhebung dient dem Marketing, der Analyse und der Statistik.
Die Datenverarbeitung erfolgt innerhalb der Europäischen Union. Bei Fragen zum Datenschutz können Sie den Datenschutzbeauftragten unter legal@shopware.com kontaktieren. Weitere Informationen finden Sie auf https://www.shopware.com/de/datenschutz/website.
Gespeicherte Daten:
Shopware Analytics fügt die folgenden Daten zum Local Storage des Browsers hinzu, bis die Zustimmung widerrufen wird: _swa_anonymousId (eine eindeutige Kennung des Besuchers), _swa_userTraits (Benutzermerkmale des Besuchers).
Shopware Analytics ist ein Analysedienst zur Erfassung des Shopping-Verhaltens auf diesem Webshop, bereitgestellt von der shopware AG (Ebbinghoff 10, 48624 Schöppingen, Deutschland) in gemeinsamer Verantwortung (siehe auch die Datenschutzinformationen). Die Rechtsgrundlage für die Datenverarbeitung ist Art. 6 Abs. 1 S. 1 lit. a DSGVO. Sofern Informationen lokal gespeichert werden, entnehmen Sie bitte weitere Details zur Datenverarbeitung unserer Datenschutzerklärung.
Empfänger der Daten ist die shopware AG sowie IT-Dienstleister. Verwendete Technologien umfassen Local Storage. Die erhobenen Daten beinhalten Kundengruppe, besuchte Seiten, Klickpfade, Datum und Uhrzeit des Besuches, Informationen über das genutzte Endgerät (Auflösung, Auflösungsdichte, Betriebssystem), Referrer URL, Informationen des verwendeten Browsers, Gebietsschema, Suchanfragen, Zeitzone. Der Zweck der Datenerhebung dient dem Marketing, der Analyse und der Statistik.
Die Datenverarbeitung erfolgt innerhalb der Europäischen Union. Bei Fragen zum Datenschutz können Sie den Datenschutzbeauftragten unter legal@shopware.com kontaktieren. Weitere Informationen finden Sie auf https://www.shopware.com/de/datenschutz/website.
Gespeicherte Daten:
Shopware Analytics fügt die folgenden Daten zum Local Storage des Browsers hinzu, bis die Zustimmung widerrufen wird: _swa_anonymousId (eine eindeutige Kennung des Besuchers), _swa_userTraits (Benutzermerkmale des Besuchers).
Shopware Analytics ist ein Analysedienst zur Erfassung des Shopping-Verhaltens auf diesem Webshop, bereitgestellt von der shopware AG (Ebbinghoff 10, 48624 Schöppingen, Deutschland) in gemeinsamer Verantwortung (siehe auch die Datenschutzinformationen). Die Rechtsgrundlage für die Datenverarbeitung ist Art. 6 Abs. 1 S. 1 lit. a DSGVO. Sofern Informationen lokal gespeichert werden, entnehmen Sie bitte weitere Details zur Datenverarbeitung unserer Datenschutzerklärung.
Empfänger der Daten ist die shopware AG sowie IT-Dienstleister. Verwendete Technologien umfassen Local Storage. Die erhobenen Daten beinhalten Kundengruppe, besuchte Seiten, Klickpfade, Datum und Uhrzeit des Besuches, Informationen über das genutzte Endgerät (Auflösung, Auflösungsdichte, Betriebssystem), Referrer URL, Informationen des verwendeten Browsers, Gebietsschema, Suchanfragen, Zeitzone. Der Zweck der Datenerhebung dient dem Marketing, der Analyse und der Statistik.
Die Datenverarbeitung erfolgt innerhalb der Europäischen Union. Bei Fragen zum Datenschutz können Sie den Datenschutzbeauftragten unter legal@shopware.com kontaktieren. Weitere Informationen finden Sie auf https://www.shopware.com/de/datenschutz/website.
Gespeicherte Daten:
Shopware Analytics fügt die folgenden Daten zum Local Storage des Browsers hinzu, bis die Zustimmung widerrufen wird: _swa_anonymousId (eine eindeutige Kennung des Besuchers), _swa_userTraits (Benutzermerkmale des Besuchers).
Erlaubt es Google, personenbezogene Daten für Online-Werbung und Marketing zu sammeln.
Google Werbung und Marketing
Erlaubt es Google, personenbezogene Daten für Online-Werbung und Marketing zu sammeln.
Google Werbung und Marketing
Marketing Cookies dienen dazu Werbeanzeigen auf der Webseite zielgerichtet und individuell über mehrere Seitenaufrufe und Browsersitzungen zu schalten.
Google AdSense:
Das Cookie wird von Google AdSense für Förderung der Werbungseffizienz auf der Webseite verwendet.
Google Conversion Tracking:
Das Google Conversion Tracking Cookie wird genutzt um Conversions auf der Webseite effektiv zu erfassen. Diese Informationen werden vom Seitenbetreiber genutzt um Google AdWords Kampagnen gezielt einzusetzen.
Tracking Cookies helfen dem Shopbetreiber Informationen über das Verhalten von Nutzern auf ihrer Webseite zu sammeln und auszuwerten.
Google Analytics:
Google Analytics wird zur der Datenverkehranalyse der Webseite eingesetzt. Dabei können Statistiken über Webseitenaktivitäten erstellt und ausgelesen werden.
Hotjar:
Hotjar Cookies dienen zur Analyse von Webseitenaktivitäten der Nutzer. Der Seitenbenutzer wird dabei über das Cookie über mehrere Seitenaufrufe identifiziert und sein Verhalten analysiert.
Service Cookies werden genutzt um dem Nutzer zusätzliche Angebote (z.B. Live Chats) auf der Webseite zur Verfügung zu stellen. Informationen, die über diese Service Cookies gewonnen werden, können möglicherweise auch zur Seitenanalyse weiterverarbeitet werden.
Tawk:
Tawk stellt einen Live Chat für Seitenbenutzer zur Verfügung. Über das Cookie wird die Funktion der Anwendung über mehrere Seitenaufrufe hinweg sicher gestellt.
Für Statistiken und Shop-Performance-Metriken genutzte Cookies.
Google Analytics
Google Tagmanager
Google Tagmanager
Google Tagmanager
Google Tagmanager
Google Tagmanager
Google Tagmanager
Google Tagmanager
Für Statistiken und Shop-Performance-Metriken genutzte Cookies.
Google Analytics
Für Statistiken und Shop-Performance-Metriken genutzte Cookies.
Google Analytics
Erlaubt es Google, personenbezogene Daten für Online-Werbung und Marketing zu sammeln.
Google Werbung und Marketing
Erlaubt es Google, personenbezogene Daten für Online-Werbung und Marketing zu sammeln.
Google Werbung und Marketing
Erlaubt es Google, personenbezogene Daten für Online-Werbung und Marketing zu sammeln.
Google Werbung und Marketing
Erlaubt es Google, personenbezogene Daten für Online-Werbung und Marketing zu sammeln.
Google Werbung und Marketing
Erlaubt es Google, personenbezogene Daten für Online-Werbung und Marketing zu sammeln.
Google Werbung und Marketing
Shopware Analytics ist ein Analysedienst zur Erfassung des Shopping-Verhaltens auf diesem Webshop, bereitgestellt von der shopware AG (Ebbinghoff 10, 48624 Schöppingen, Deutschland) in gemeinsamer Verantwortung (siehe auch die Datenschutzinformationen). Die Rechtsgrundlage für die Datenverarbeitung ist Art. 6 Abs. 1 S. 1 lit. a DSGVO. Sofern Informationen lokal gespeichert werden, entnehmen Sie bitte weitere Details zur Datenverarbeitung unserer Datenschutzerklärung.
Empfänger der Daten ist die shopware AG sowie IT-Dienstleister. Verwendete Technologien umfassen Local Storage. Die erhobenen Daten beinhalten Kundengruppe, besuchte Seiten, Klickpfade, Datum und Uhrzeit des Besuches, Informationen über das genutzte Endgerät (Auflösung, Auflösungsdichte, Betriebssystem), Referrer URL, Informationen des verwendeten Browsers, Gebietsschema, Suchanfragen, Zeitzone. Der Zweck der Datenerhebung dient dem Marketing, der Analyse und der Statistik.
Die Datenverarbeitung erfolgt innerhalb der Europäischen Union. Bei Fragen zum Datenschutz können Sie den Datenschutzbeauftragten unter legal@shopware.com kontaktieren. Weitere Informationen finden Sie auf https://www.shopware.com/de/datenschutz/website.
Gespeicherte Daten:
Shopware Analytics fügt die folgenden Daten zum Local Storage des Browsers hinzu, bis die Zustimmung widerrufen wird: _swa_anonymousId (eine eindeutige Kennung des Besuchers), _swa_userTraits (Benutzermerkmale des Besuchers).
Diese Website verwendet Cookies, um Ihnen die bestmögliche Funktionalität bieten zu können... Mehr Informationen.